首页
关于瑞安
产品展示
产品资质
工程案例
服务与支持
新闻中心
联系我们
气体探测器
产品资质
首页 >
新闻中心 >
气体探测器
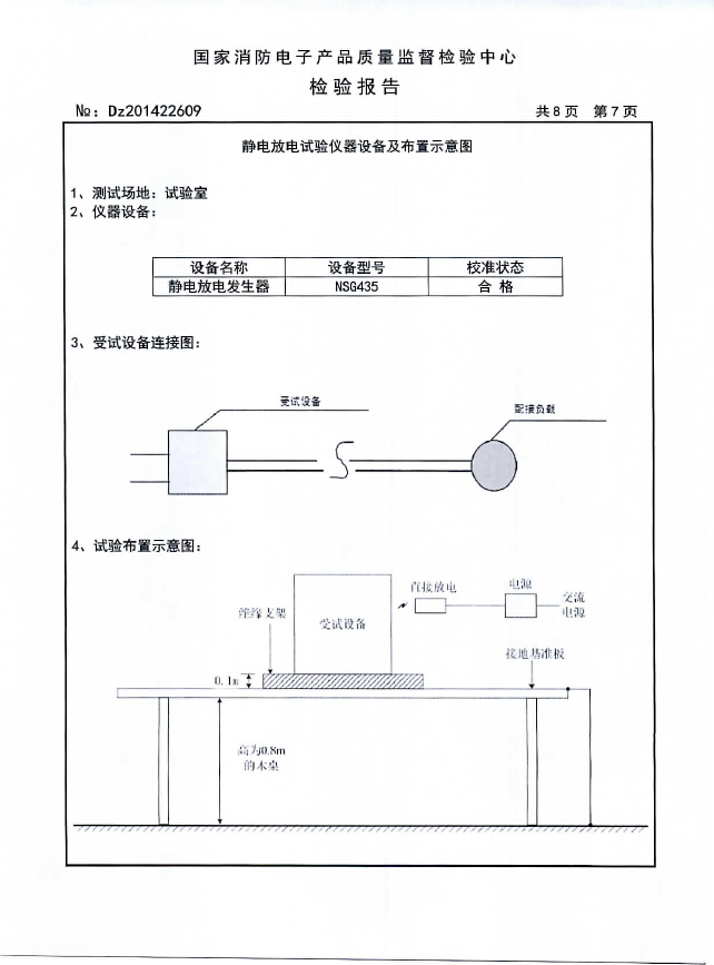
RBT-6000-ZLG(主型)检验报告
更新时间:2015-10-21 来源: 点击:19401
RBT-6000-ZLG(主型)检验报告
上一页:已经没有了
下一页 RBT-6000-ZLGX(主型)检验报告